Home / Products / PM Steppers / Idle Speed / PDS25
PDS25
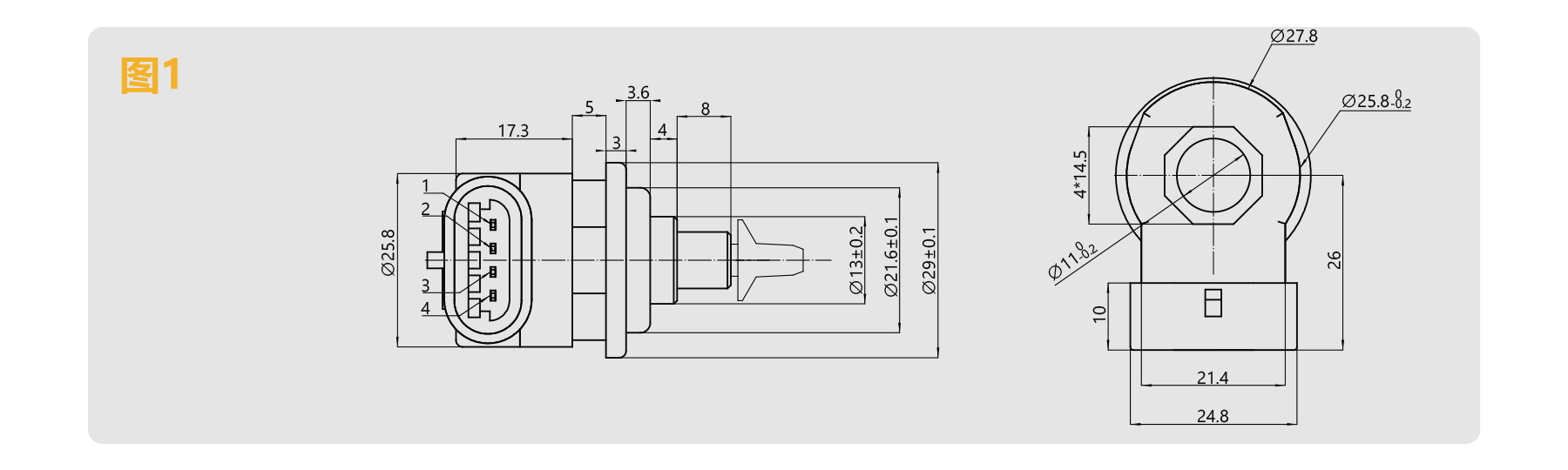
PDS25 Idle Speed Series permanent magnet stepper motor, Ø25 mm frame, adjusting the opening of the bypass air passage to provide additional air, ensuring the engine receives sufficient airflow to maintain a stable idle speed and prevent stalling. These motors offer high stability, precision, and long service life, guaranteeing smooth engine operation under various conditions while optimizing fuel efficiency and emission control.
Your message has been sent
Similar Products

PDS15 Series



