Home / Products / Micro BLDC / Inner Rotor Series / PLN6060
PLN6060
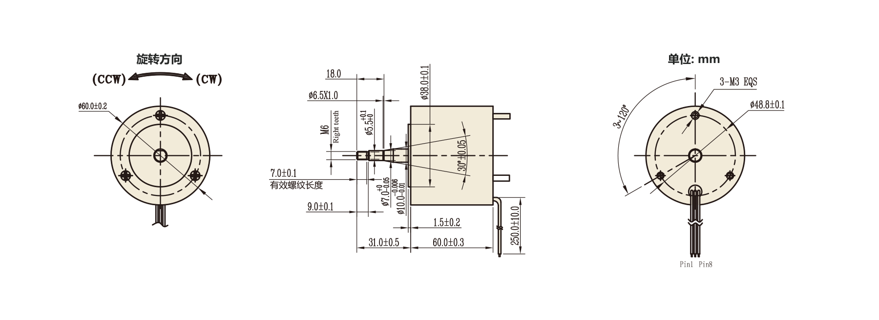
The PLN6060 Micro Brushless DC Motor, Inner Rotor Series, delivers 10–100 W output with a compact 750 g design. Featuring COIL U/V/W and Hall sensor outputs (H1–H3), it operates at 6–26 V. Ideal for power tools, automobiles, household appliances, personal care, communication, and medical devices, it ensures precise speed, torque, and high efficiency.
Your message has been sent
Similar Products









