Home / Products / Hybrid Steppers / Drive Series / PSD2505E
PSD2505E
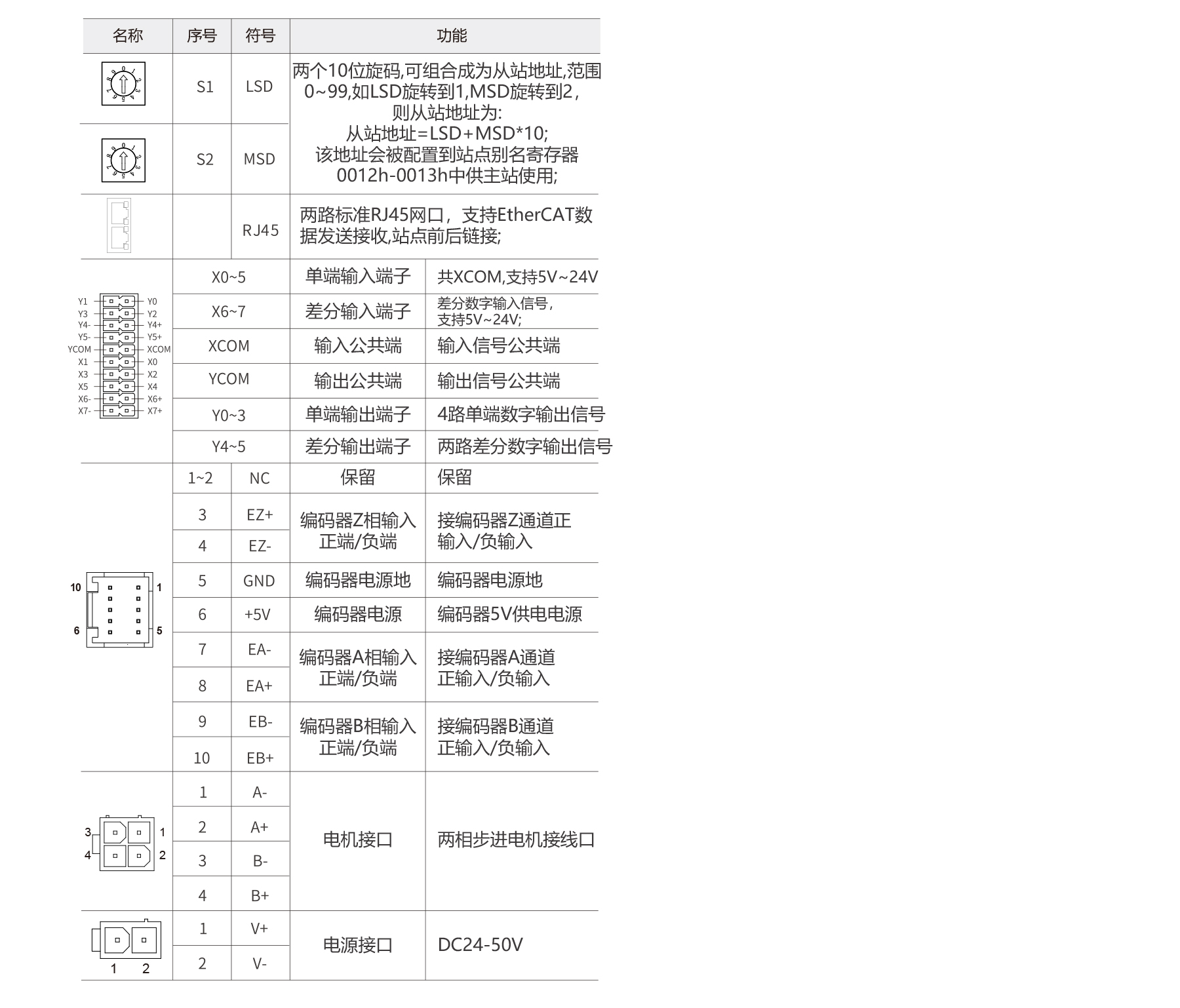
PSD2505E, 2-Phase EtherCAT Closed-Loop Driver. DC24–50V, current adjustable ≤5A. 32-bit DSP, low noise, stable motion. Supports CSP, PP, PV, HOMING modes. EtherCAT CoE, 8 digital inputs, 6 outputs including differential, microstepping 400–51,200. Current halved if stopped >200ms.
Your message has been sent
Similar Products

PSD2505R, RS485
2.0-5.0A, 24-50VDC

PSD2505C, CANOpen
2.0-5.0A, 24-50VDC
Companion Products

NEMA 23 · 1.8° · PHM57S









