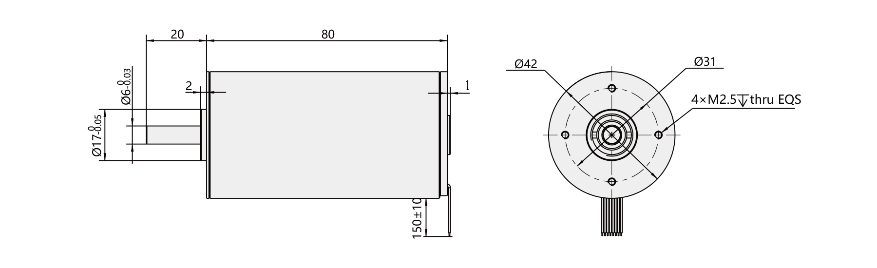
PSL4280
The PSL4280 42mm Slotless BLDC Motor delivers 90–120 mN·m rated torque and up to 160 W power, reaching 6,000–12,000 rpm across 18–48 V versions. Its slotless design ensures low cogging, high smoothness, and reliability for robotics, automation, and demanding precision-drive applications.
Your message has been sent
Similar Products

Ø36mm
PSL3660
Companion Products







