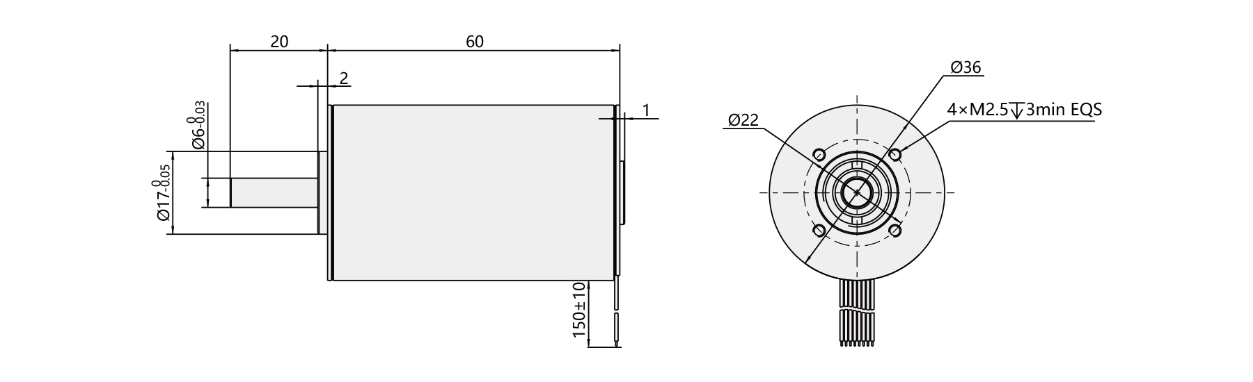
PSL3660
The PSL3660 36mm Slotless BLDC Motor delivers 70 mN·m rated torque and up to 85 W power, achieving 7,000–11,000 rpm across 18–48 V models. Its high efficiency (up to 80%) and smooth slotless design ensure low vibration, precision, and reliability for automation and high-performance systems.
Your message has been sent
Similar Products

Ø30mm
PSL3065

Ø42mm
PSL4280
Companion Products







