PML15
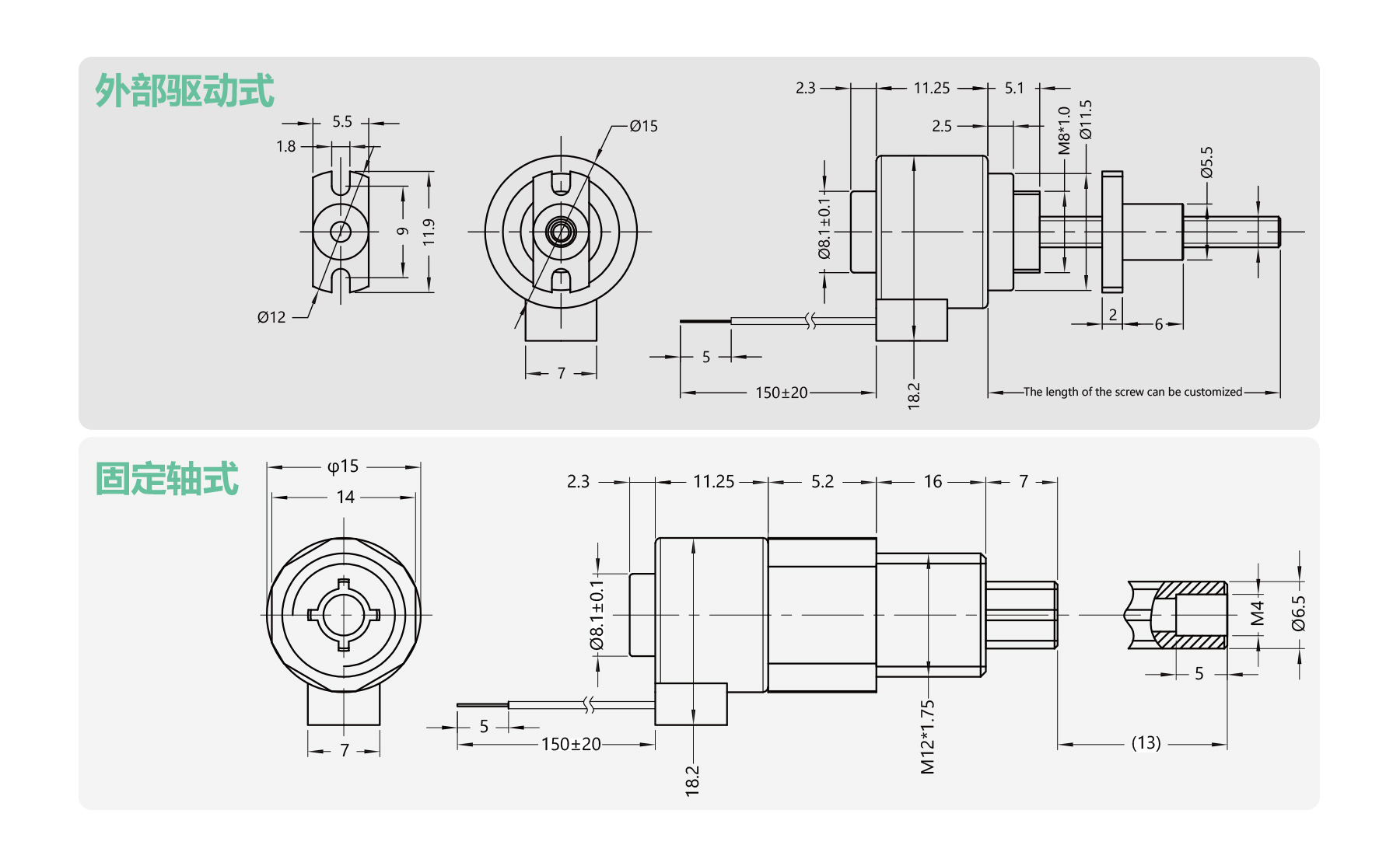
PML15 Series 15 mm bipolar permanent magnet stepper linear actuators, available in external and captive types, offer 18° step angle, 4 V/200 mA, 5 V/160 mA, or 12 V/70 mA windings. Features include 8.7–50.6 mH inductance, 20–180 Ω resistance, 1.6 W power, Class B insulation, and 15 g weight—ideal for precision, space-limited linear motion systems.
Your message has been sent
Similar Products

Ø15mm
PMS15 Series

PSM15 Series

Ø15mm
PMG15P Series






