Home / Products / PM Steppers / Geared Series / PMG24N
PMG24N
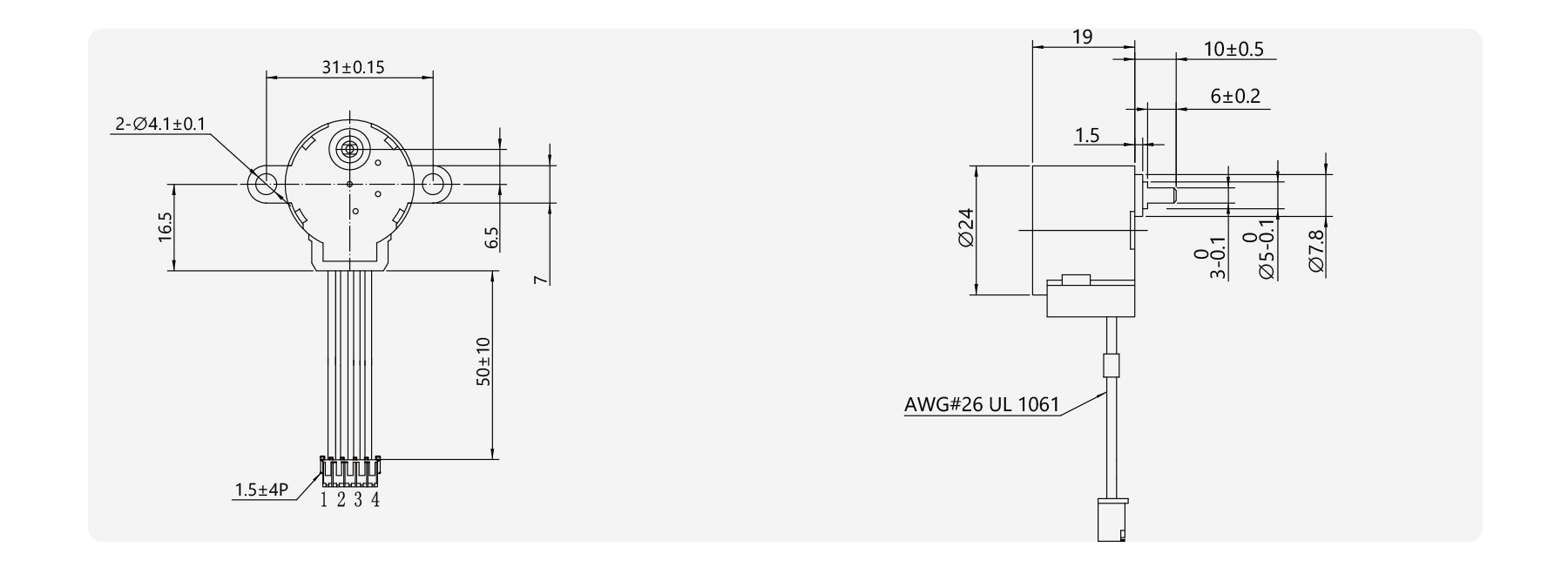
The PMG24N Series is a Ø24 mm permanent magnet stepper motor with built-in gears, ±8% step angle accuracy, ±10% resistance, and ±20% inductance. Compact and high-torque, it operates at low speeds with gear ratios from 16:1 up to 90:1, suitable for mobile equipment, handheld devices, analytical instrument, and precision automation, and machinery from -10°C to +50°C.
Your message has been sent
Similar Products

Ø20mm
PMG20N Series






