Home / Products / PM Steppers / Auto Headlight / PAL35
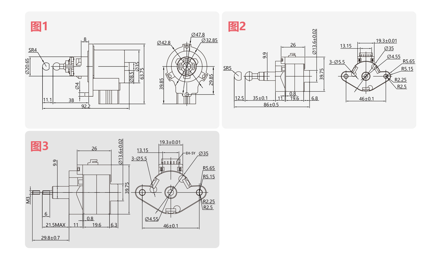
PAL35
PAL35 Auto Headlight Series permanent magnet stepper motor is primarily used in automotive headlight dynamic adjustment systems. Its open-loop control characteristic enables precise angle adjustment without feedback. Additionally, it delivers millisecond-level dynamic response, meeting real-time road condition requirements. The permanent magnet design ensures reliability in harsh automotive environments. Compared to traditional DC motors, it is more energy-efficient and operates without brush noise.
Your message has been sent
Similar Products

PAL48 Series





