PLE4020
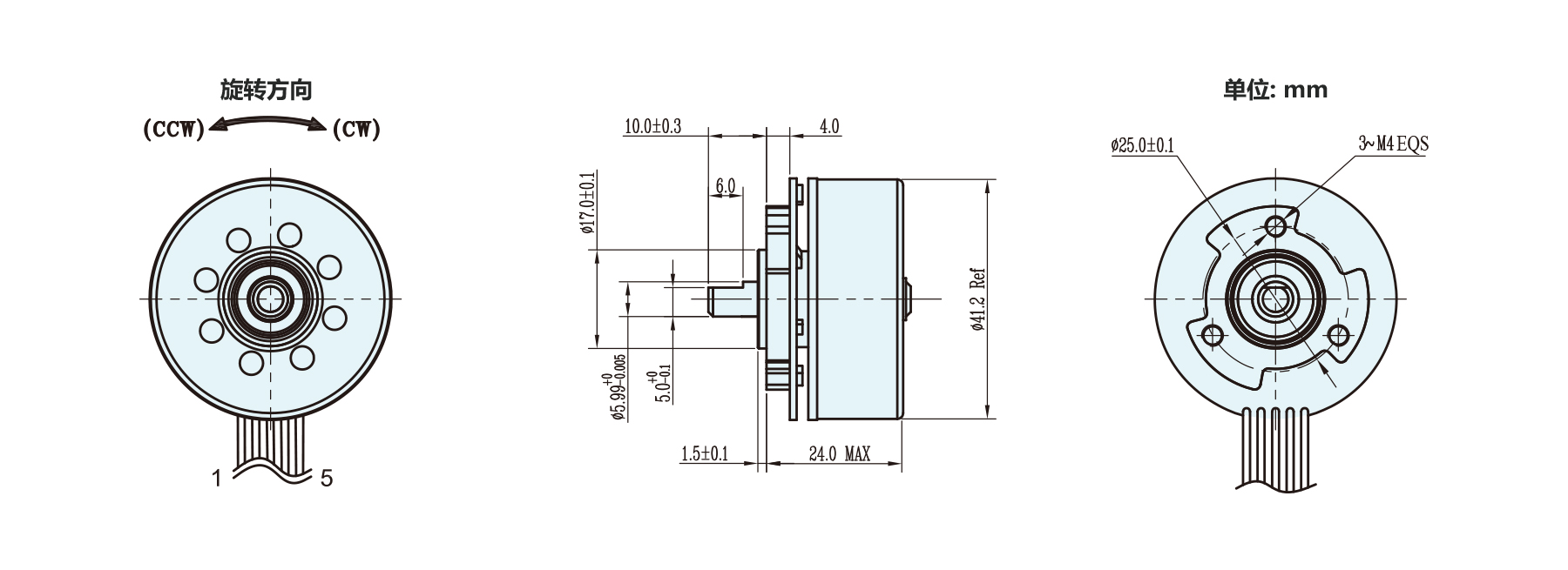
The PLE4020 micro brushless DC outrunner motor delivers 10–80 W output with high torque and stability. Operating at 8–26 V and weighing ~150 g, it features VCC, FG, CW/CCW, GND, and PWM terminals. Ideal for power tools, automobiles, household appliances, personal care, communication, and medical devices.
Your message has been sent
Similar Products

Ø40mm
PLE4035









