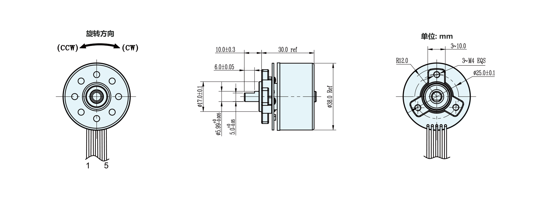
PLE3830
The PLE3830 micro brushless DC outrunner motor delivers 10–40 W output, weighs ~130 g, and supports VCC, FG, CW/CCW, GND, and PWM connections. Operating from 5–26.4 V, it’s ideal for power tools, automobiles, household appliances, personal care, communication, and medical devices, offering compact size with high efficiency and durability.
Your message has been sent
Similar Products

Ø38mm
PLE3825S

Ø38mm
PLE3835S









