PLE3825
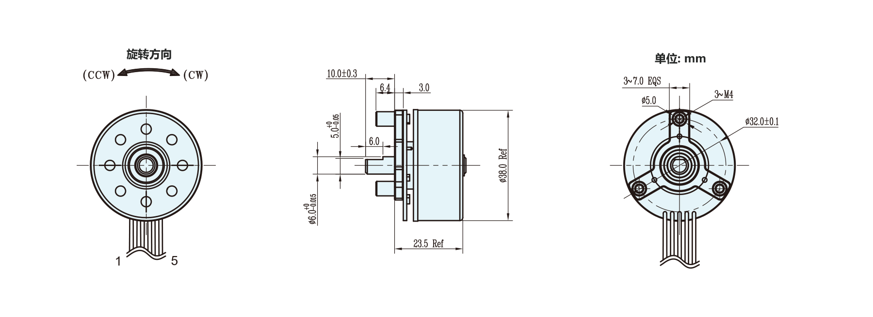
The PLE3825 is a micro brushless DC outrunner motor, weighing ~120 g with 10–45 W output. Featuring VCC, FG, CW/CCW, GND, and PWM terminals, it operates from 8–26 V. Ideal for power tools, automobiles, household appliances, personal care, communication, and medical devices, it delivers high efficiency, reliability, and compact performance.
Your message has been sent
Similar Products

Ø38mm
PLE3825S

Ø38mm
PLE3830









