PLE3717
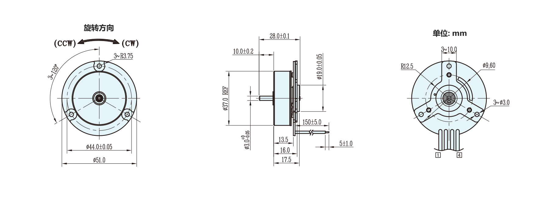
The PLE3717 is a micro brushless DC outrunner motor, weighing ~75 g, with 2–30 W output. Featuring PWM, FG, VCC, and GND terminals, it operates from 8–26 V. Designed for power tools, automobiles, household appliances, personal care, communication, and medical devices, it delivers compact, efficient, and reliable performance.
Your message has been sent
Similar Products

Ø35mm
PLE3525S









