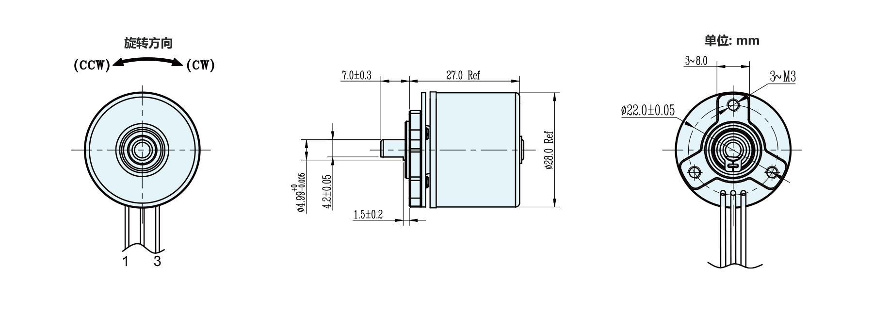
PLE2827
The PLE2827 is a micro brushless DC outrunner motor weighing approximately 75 g, delivering 5–20 W output. With W and U terminals, it operates at 5–26 V and is suitable for power tools, automobiles, household appliances, personal care, communication, and medical devices, providing compact, efficient, and reliable performance.
Your message has been sent
Similar Products

Ø28mm
PLE2830









