Home / Products / Micro BLDC / Inner Rotor Series / PLN1625
PLN1625
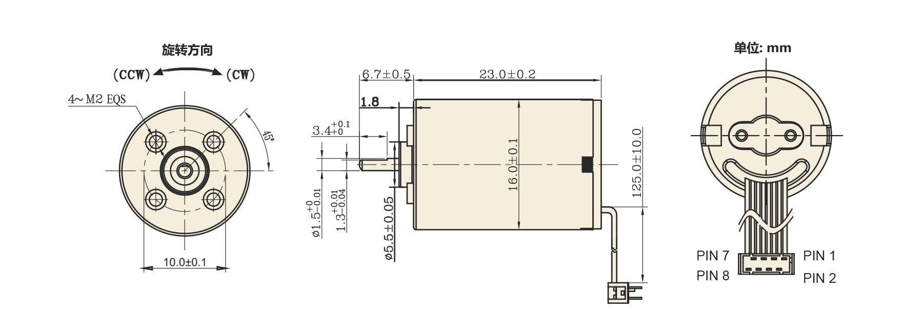
The PLN1625 Micro Brushless DC Motor from the Inner Rotor Series offers compact, efficient performance with 0.1–5W output and lightweight 18g design. Featuring PIN-based terminals, Hall sensor outputs, and wide voltage range (5–16V), it’s ideal for automobiles, household appliances, personal care, communication, and medical devices, delivering reliable speed and torque in a miniature form factor.
Your message has been sent
Similar Products









