Home / Products / Micro BLDC / BLDC Gear Motor / PLN4275G
PLN4275G
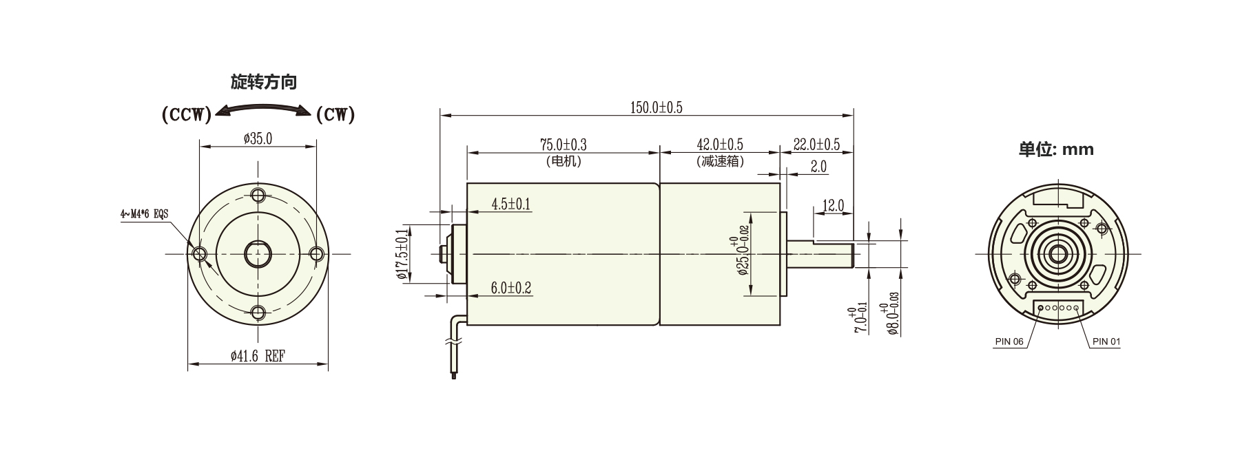
The PLN4275G-R50 is a brushless DC geared motor from the Inner Rotor Series, offering 10–90 W output and weighing approximately 500 g. Equipped with VCC, FG, GND, CW/CCW, PWM, and BRAKE terminals, it operates at 8–26 V and suits industrial equipment, power tools, automobiles, household appliances, personal care, communication, and medical devices, delivering reliable torque and high efficiency.
Your message has been sent
Similar Products









