Home / Products / Micro BLDC / BLDC Gear Motor / PLN4235G
PLN4235G
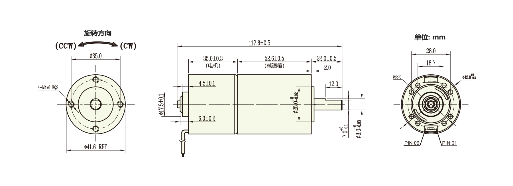
The PLN4235G-R50 is a compact brushless DC geared motor from the Inner Rotor Series, offering 5–35 W output and weighing around 300 g. Equipped with VCC, FG, GND, CW/CCW, PWM, and BRAKE terminals, it operates at 8–26 V and is ideal for industrial equipment, power tools, automobiles, household appliances, personal care, communication, and medical devices, delivering precise, efficient, and reliable performance.
Your message has been sent
Similar Products









