Home / Products / Micro BLDC / BLDC Gear Motor / PLN3630G
PLN3630G
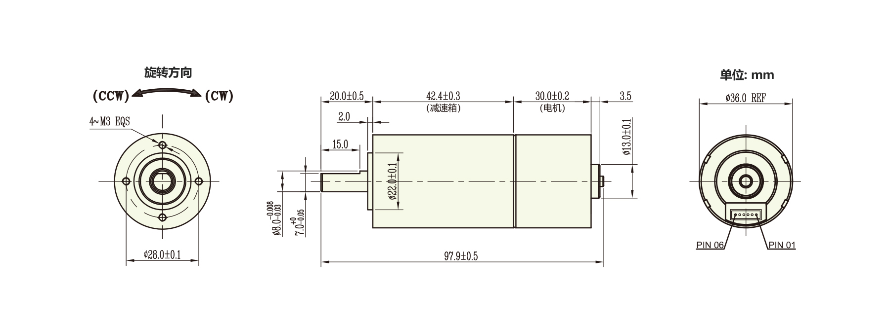
PLN3630G-R50 Brushless DC Geared Motor – Inner Rotor Series. Output: ~2–18 W, Weight: ~260 g. Motor terminals: VCC, FG, GND, CW/CCW, PWM, BRAKE. Operating voltage: 8–26 V. Typical applications include industrial equipment, power tools, automobiles, household appliances, personal care, communication, and medical devices. Compact geared motor offering reliable torque and speed performance for precise motion control.
Your message has been sent
Similar Products









