Home / Products / Micro BLDC / BLDC Gear Motor / PLN2838G
PLN2838G
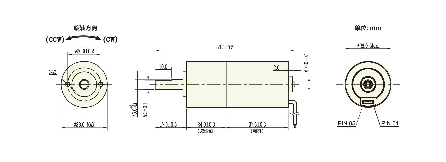
The PLN2838G-R50 Micro BLDC Geared Motor, Inner Rotor Series, provides an output of approximately 1–15 W and weighs around 160 g. It has 5 motor terminals: VCC, FG, GND, CW/CCW, and PWM. Operating voltage ranges from 6 V to 26 V depending on the model, delivering precise no-load speed, torque, and maximum efficiency. Typical applications include industrial equipment, power tools, automobiles, household appliances, personal care, communication, and medical devices.
Your message has been sent
Similar Products








