Home / Products / Micro BLDC / BLDC Gear Motor / PLN2430G
PLN2430G
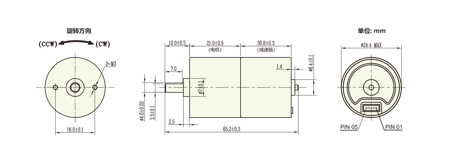
The PLN2430G-R50 Micro BLDC Geared Motor, Inner Rotor Series, delivers an output of approximately 1–8 W with a weight of about 120 g. It features 5 motor terminals including VCC, FG, GND, CW/CCW, and PWM. Operating voltage ranges from 5 V to 26 V depending on the model, providing precise no-load speed, torque, and maximum efficiency. Ideal applications include industrial equipment, power tools, automobiles, household appliances, personal care, communication, and medical devices.
Your message has been sent
Similar Products









