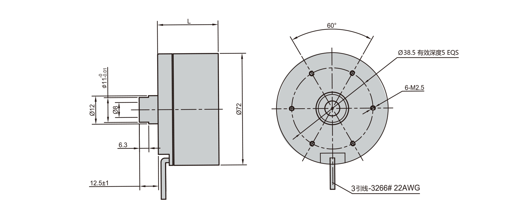
PBLR72EN
The PBLR72EN series are 3-phase, 28-pole brushless outer rotor motors with 48VDC. Rated speed 1000 RPM, torque from 1.0 to 2.0 N·m, peak torque up to 4.0 N·m. Featuring compact design, low inertia, and high efficiency for demanding industrial applications.
Your message has been sent
Similar Products

Ø62mm
PBLR62EN

Ø75mm
PBLR75EH

Ø72mm
PBLR72EK
Companion Products

24-36VDC, 15A
PBLD-L36150D




