Warning: Undefined array key "file" in /usr/local/lighthouse/softwares/wordpress/wp-includes/media.php on line 1788
PBLR60GE
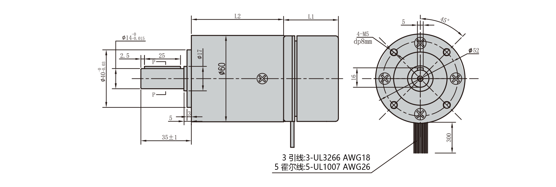
The PBLR60GE series are 3-phase, 16-pole brushless motors rated at 24VDC with speeds of 3000 RPM. Rated torque ranges from 0.15 to 0.3 N·m, peak torque up to 0.9 N·m. Compact, lightweight design with high efficiency, ideal for various industrial applications. The pre-installed transmission type planetary gearbox has 2 different stages, and the highest reduction ratio is as high as 70:1.
Your message has been sent
Similar Products

Ø60mm
PBLR60EH
Companion Products

24-36VDC, 5A
PBLD-L3650D

24-36VDC, 15A
PBLD-L36150D







