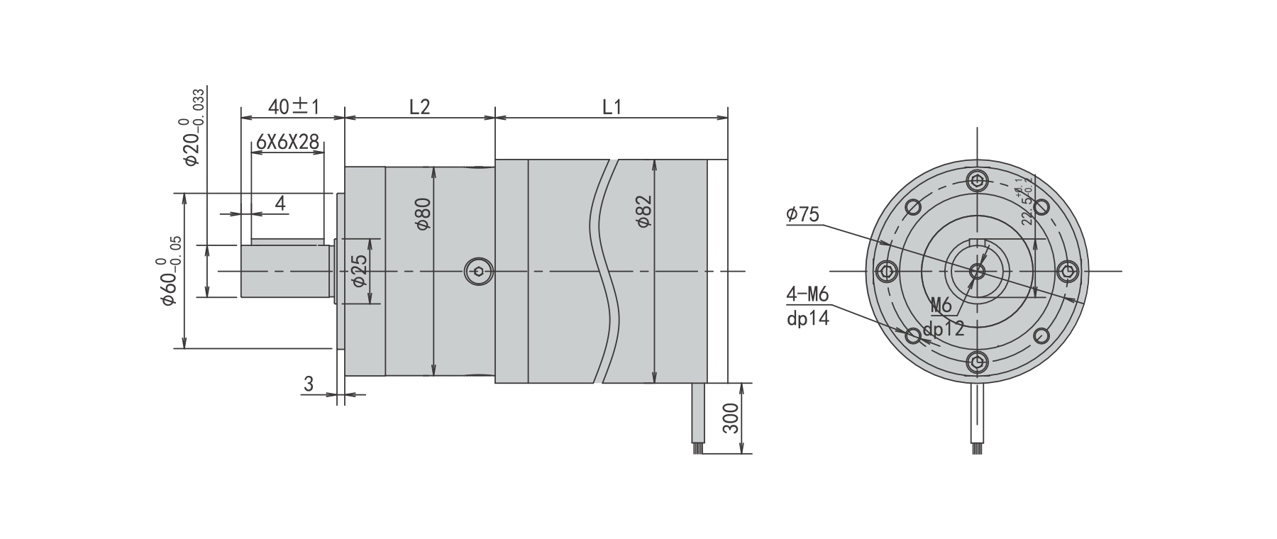
PBLR82GE
PBLR82GE is a high-performance 48 VDC industrial brushless gear motor series with rated torque up to 0.8 N·m and power up to 250 W. Designed for 3,000 RPM operation, it offers strong output, compact structure, and excellent reliability for motion control applications. The pre-installed transmission type planetary gearbox has 2 different stages, and the highest reduction ratio is as high as 50:1.
Your message has been sent
Similar Products

Ø82mm
PBLR82HE

Ø62mm
PBLR62GE
Companion Products

24-48VDC, 30A
PBLD-L48300D

24-48VDC, 50A
PBLD-L48500D






