PBLR60FH
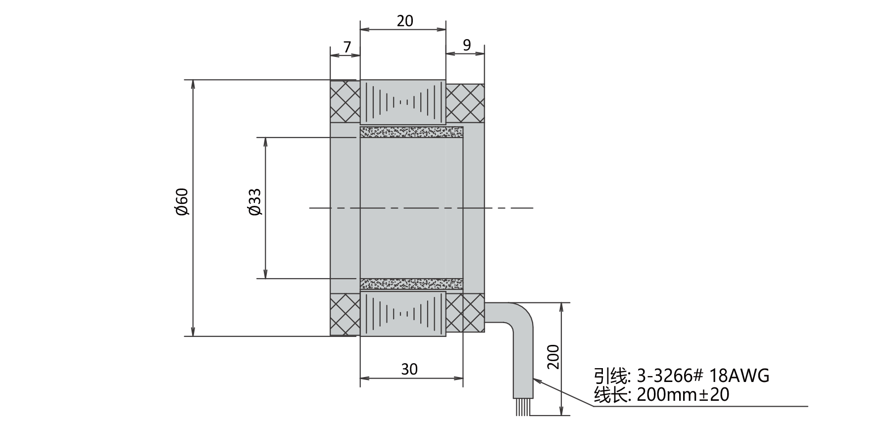
The PBLR60FH is a 3-phase, 16-pole frameless brushless motor rated at 48V DC, running at 3000 RPM. It delivers 0.5 N·m rated torque and 1.5 N·m peak torque. Compact and lightweight (0.7 kg), ideal for high-performance industrial, robotics and automation applications.
Your message has been sent
Similar Products

O.D.58mm
PBLR58FH



