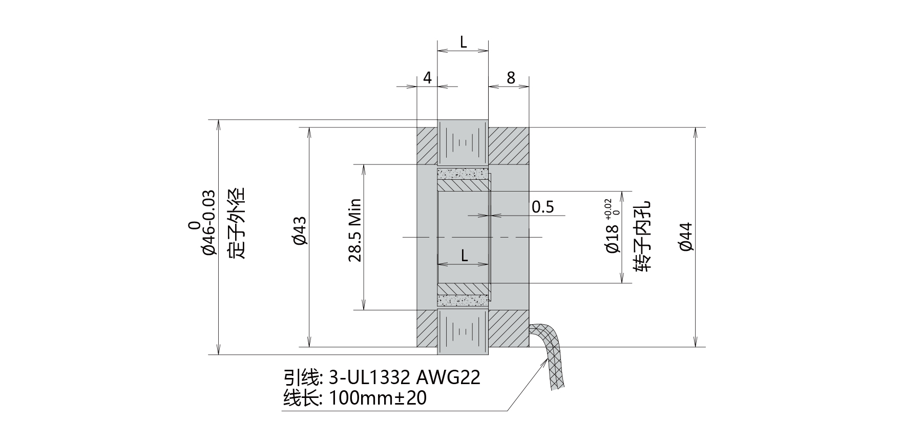
PBLR46FT
The PBLR46FT is a 3-phase, 10-pole frameless brushless motor rated at 48V DC. It runs at 3000 RPM, delivering 0.15 N·m rated torque and 0.45 N·m peak torque. Compact and lightweight (0.3 kg), ideal for customized industrial and robotics applications requiring high precision and efficiency.
Your message has been sent
Similar Products




