PBLR37FT
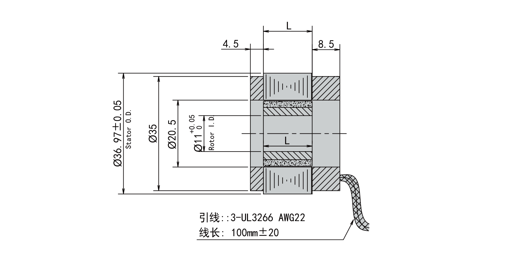
The PBLR37FT frameless industrial brushless DC motor delivers 50 W power with 0.16 N·m rated torque and 3,000 RPM speed. Operating at 48 V, it offers high torque density, low inertia, and 0.48 N·m peak torque, making it ideal for robotics, automation, and precision industrial systems.
Your message has been sent
Similar Products



