NEMA 51・1.2°・PHB130T
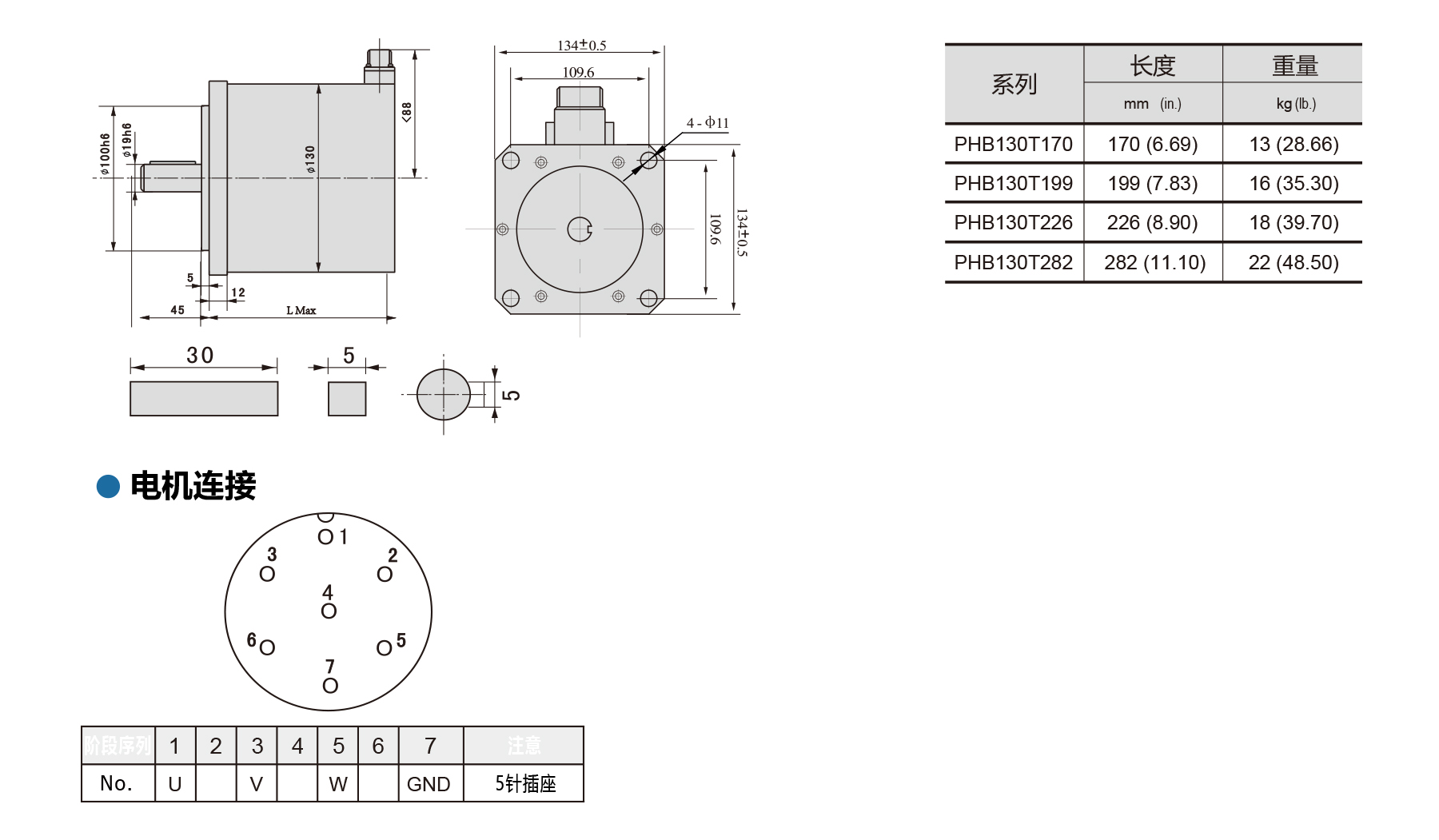
The PHB130T Series NEMA 51 3-phase stepper motors deliver high torque and smooth 1.2° step movement with ±5% full-step accuracy. Designed for demanding applications, these motors feature high inertia, optional braking, and AC voltage compatibility for stable performance. They operate reliably from -20°C to +50°C with a maximum temperature rise of 80°C. Insulation resistance is ≥100 MΩ, dielectric strength 1800 VAC/1 min, and minimal shaft radial/axial play (0.02/0.08 mm) ensures long-term precision. Available in lengths from 170 mm to 282 mm, PHB130T motors support optional gearboxes, making them ideal for CNC machinery, industrial automation, and other high-performance motion control systems.
Your message has been sent
Similar Products

NEMA 51 · 1.8° · PHB130K

NEMA 42 · 1.2° · PHB110T
Companion Products

PST3522PH, 3 Phase
1.0-5.0A, 110-220VAC






