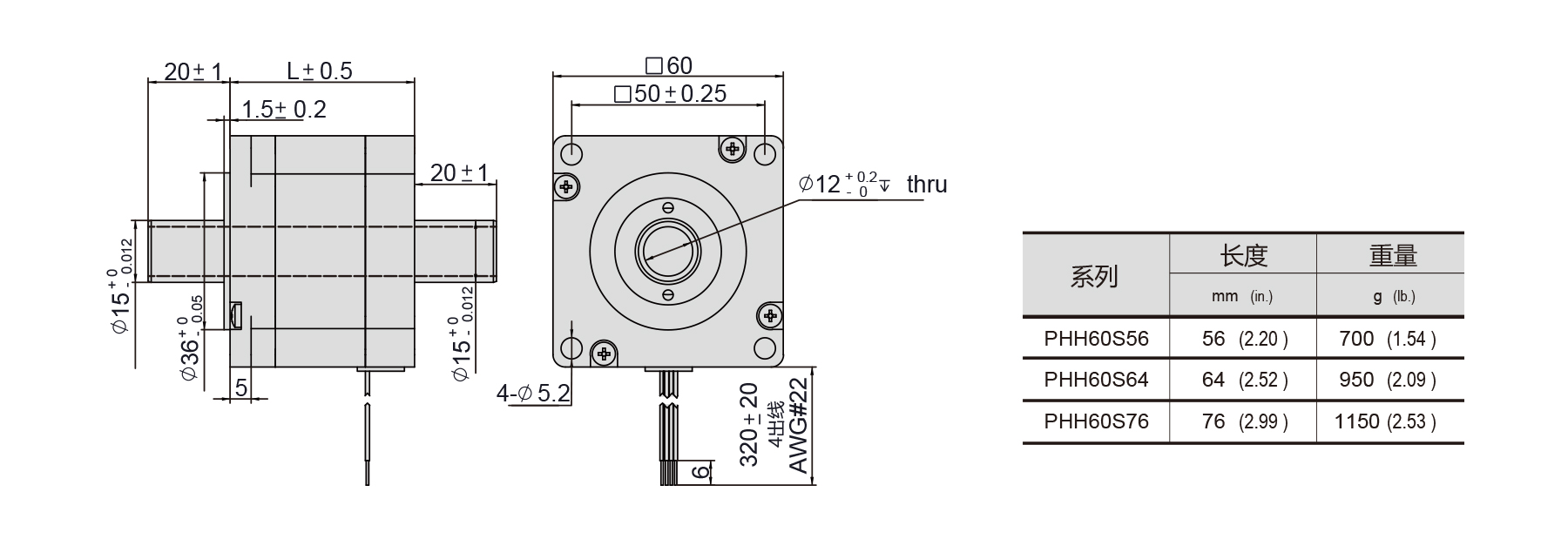
NEMA 24・1.8°・PHH60S
The PHH60S series NEMA 24 hollow shaft stepper motors deliver high torque with smooth, low-vibration 1.8° stepping. Featuring ±5% step angle accuracy, low inertia, and high-speed performance, they operate reliably from -20°C to +50°C, making them ideal for precision automation, and industrial motion control applications.
Your message has been sent
Similar Products

NEMA 24 · 1.2° · PHB60T

NEMA 24 · 0.72° · PHB60F

NEMA 24 · 1.8° · PHG60S

NEMA 24 · 1.8° · PHM60S

NEMA 24 · PHP60S

NEMA 24 · 1.8° · PHBR60S

NEMA 24 · 1.8° · PHB60S

NEMA 24 · PHBL60
Companion Products

PST2405P, 2 Phase
1.2-4.0A, 20-50VDC

PST2405PD, 2 Phase
1.2-4.0A, 20-50VDC

PST2405PU, 2 Phase
0.8-4.5A, 20-50VDC

PSR2405M, 2 Phase
1.2-4.0A, 20-50VDC

PSR2405A, 2 Phase
0.8-4.5A, 20-50VDC

PSH2405R, RS485
4.2A Max., 20-50VDC

PSH2405C, CANOpen
4.2A Max., 20-50VDC








