Home / Products / Hybrid Steppers / Drive Series / PST3722PH
PST3722PH
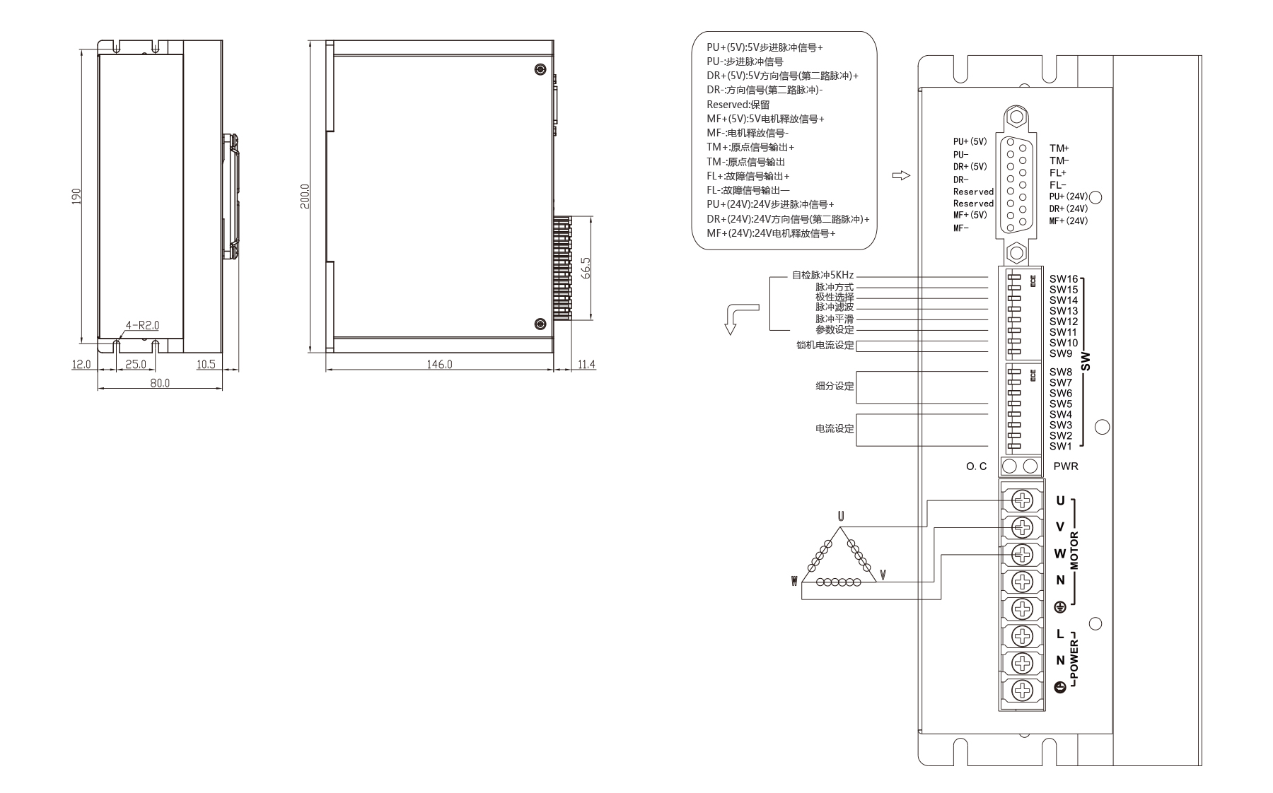
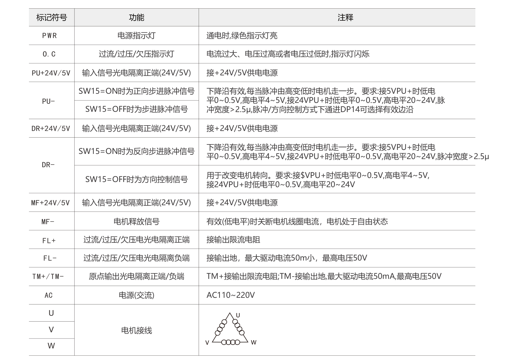
PST3722PH is a 3-phase AC driver (AC110–220V, ≤7.0A) with 32-bit DSP control for low noise and smooth low-frequency microsteps. It supports 16 constant-torque microsteps (up to 60,000 steps/rev), adjustable lock current, pulse filtering, and optical isolation, with full protection. Suitable for NEMA34–51 3-phase open-loop stepper motors.
Your message has been sent
Similar Products

PST3522PH, 3 Phase
1.0-5.0A, 110-220VAC

PST3608PH, 3 Phase
2.3-5.9A, 18-80VAC
Companion Products










