Home / Products / Hybrid Steppers / Drive Series / PST2608PH
PST2608PH
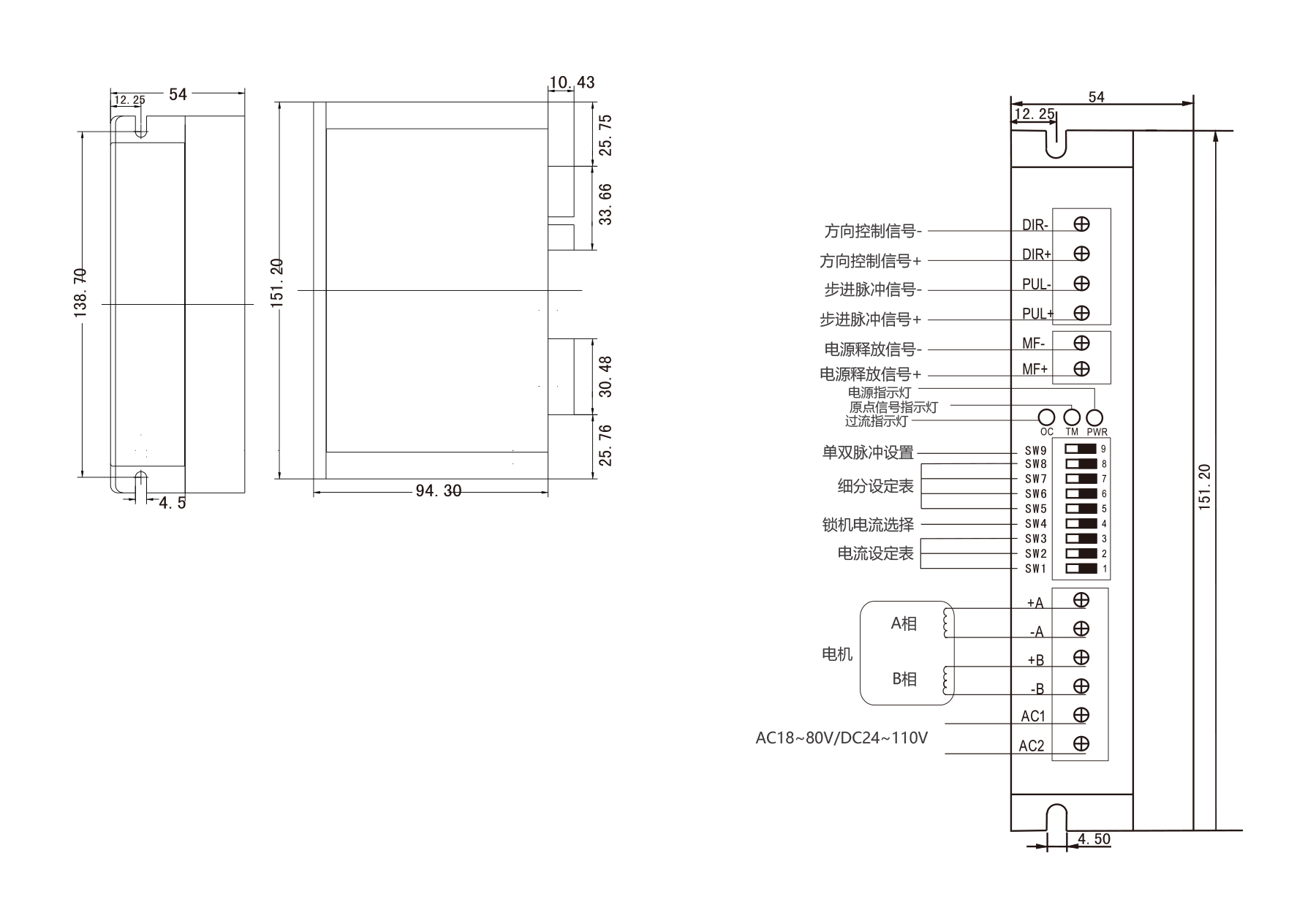
PST2608PH is a 2-phase AC input pulse driver (AC18–80V, ≤6.0A) with 32-bit DSP control for low noise, stability, and up to 256 microsteps. Supports 200kHz pulse rate, smooth current control, 5–24V differential input, single/double pulse modes, and full protections. Ideal for NEMA34-42 stepper motors.
Your message has been sent
Similar Products

PST2811PH, 2 Phase
2.0-6.0A, 80-110VAC

PST2822PH, 2 Phase
1.0-8.0A, 110-220VAC

PST3505P, 3 Phase
1.8-5.7A, 20-50VDC

PST3606P, 3 Phase
2.3-5.9A, 20-60VDC
Companion Products

NEMA 34 · 1.8° · PHB86K










