PST2405P-2D
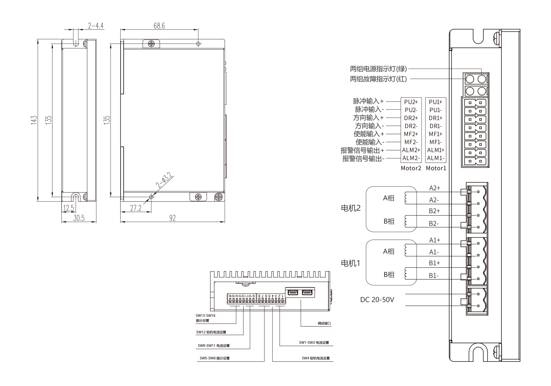
PST2405P-2D is a 2-phase pulse driver (DC20–50V, ≤4.0A) with independent control for two 42/57 stepper motors. Features 16 microstep settings (400–40,000), 32-bit DSP for low noise and stable output, dual 5–24V signal ports, serial debugging, and protections against over/under-voltage, over-current, and phase errors.
Your message has been sent
Companion Products

NEMA 17 · 3.6° · PHB42E

NEMA 17 · 0.9° · PHB42M

NEMA 17 · 1.8° · PHB42S

NEMA 23 · 1.8° · PHB57K

NEMA 23 · 0.9° · PHB57M

NEMA 23 · 1.8° · PHB57S










