PSS2505E-2D
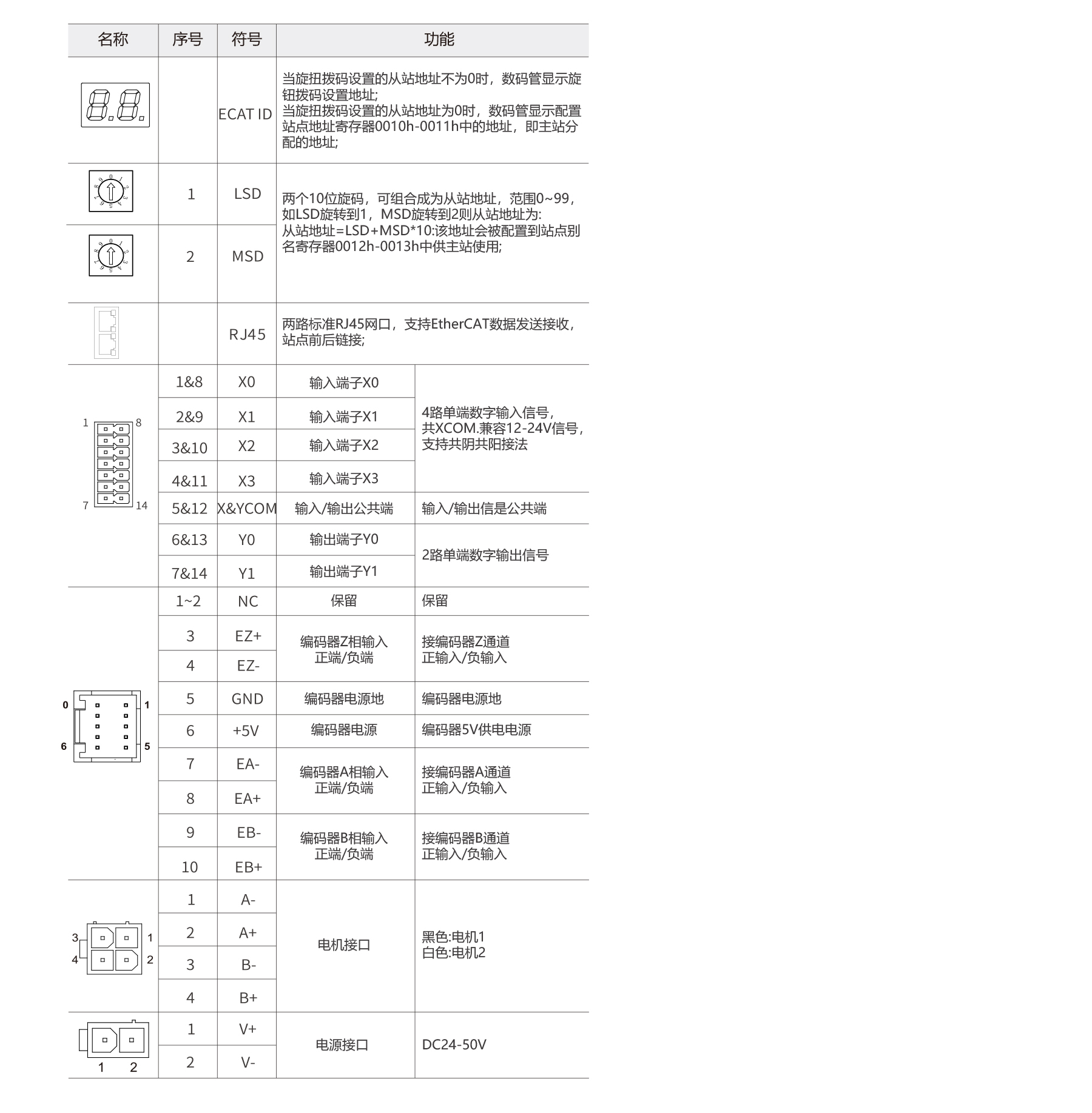
PSS2505E-2D, 2-Phase 2-Axis EtherCAT Closed-Loop Driver. DC24–50V, current ≤5A. 32-bit ARM DSP, smooth, low vibration, with digital display. Single drive controls 2 motors independently. Supports CSP, PP, PV, HOMING modes. Each motor: 4 inputs, 2 outputs. Microstepping adjustable; over/under-voltage, over-current, deviation, encoder fault protection.
Your message has been sent
Similar Products

PSS2505E, EtherCAT
2.0-5.0A, 24-80VAC
Companion Products

NEMA 23 · 1.8° · PHM57S









