Home / Products / Hybrid Steppers / Drive Series / PSS2205E
PSS2205E
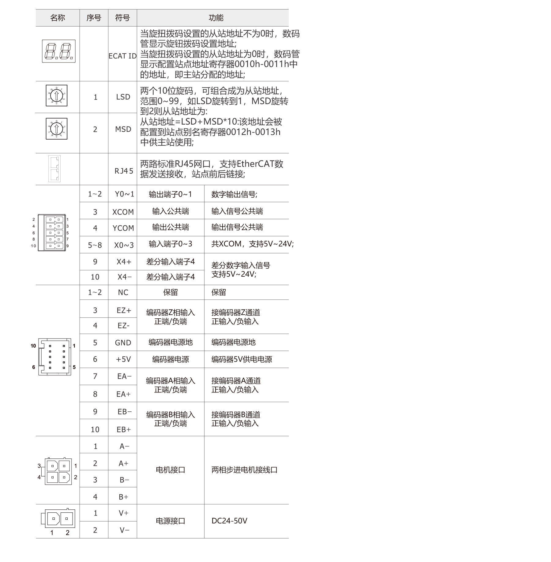
PSS2205E, 2-Phase EtherCAT Closed-Loop Driver. DC24–50V, current adjustable ≤5A. 32-bit DSP, low vibration, smooth motion. With digital display. Supports CSP, CSV, PP, PV, HOMING modes. Dual RJ45, 5 opto-isolated inputs, 2 outputs. Microstepping 400–51,200, electronic gearing, protection for over/under-voltage and overcurrent. Suitable for NEMA17/23 motors.
Your message has been sent
Similar Products

PSH2204R, RS485
1.5A Max., 24-36VDC

PSS2205E, EtherCAT
0.2-2.0A, 24-50VDC
Companion Products









