Home / Products / Hybrid Steppers / Drive Series / PSH2608R
PSH2608R
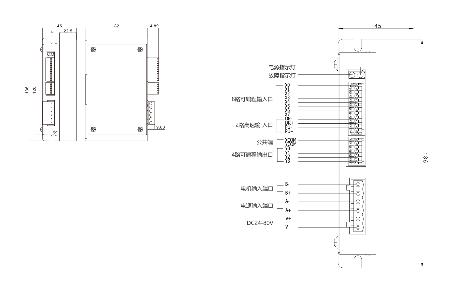
PSH2608R is a 2-phase RS485 open-loop driver featuring a 32-bit motor control DSP chip. It supports position, speed, and multi-segment position control with RS-485 bus communication via standard MODBUS-RTU, controlling up to 30 motors simultaneously. The driver offers 16 constant-torque microsteps (up to 40,000), adjustable drive current up to 4.8 A, 2 high-speed differential inputs, 8 programmable inputs, 4 programmable outputs, DC24–80 V input, and over-voltage, under-voltage, and over-current protection.
Your message has been sent
Similar Products

PSH2405R, RS485
4.2A Max., 20-50VDC
Companion Products

NEMA 34 · 1.8° · PHB86K







