Home / Products / Hybrid Steppers / Drive Series / PSH2405R
PSH2405R
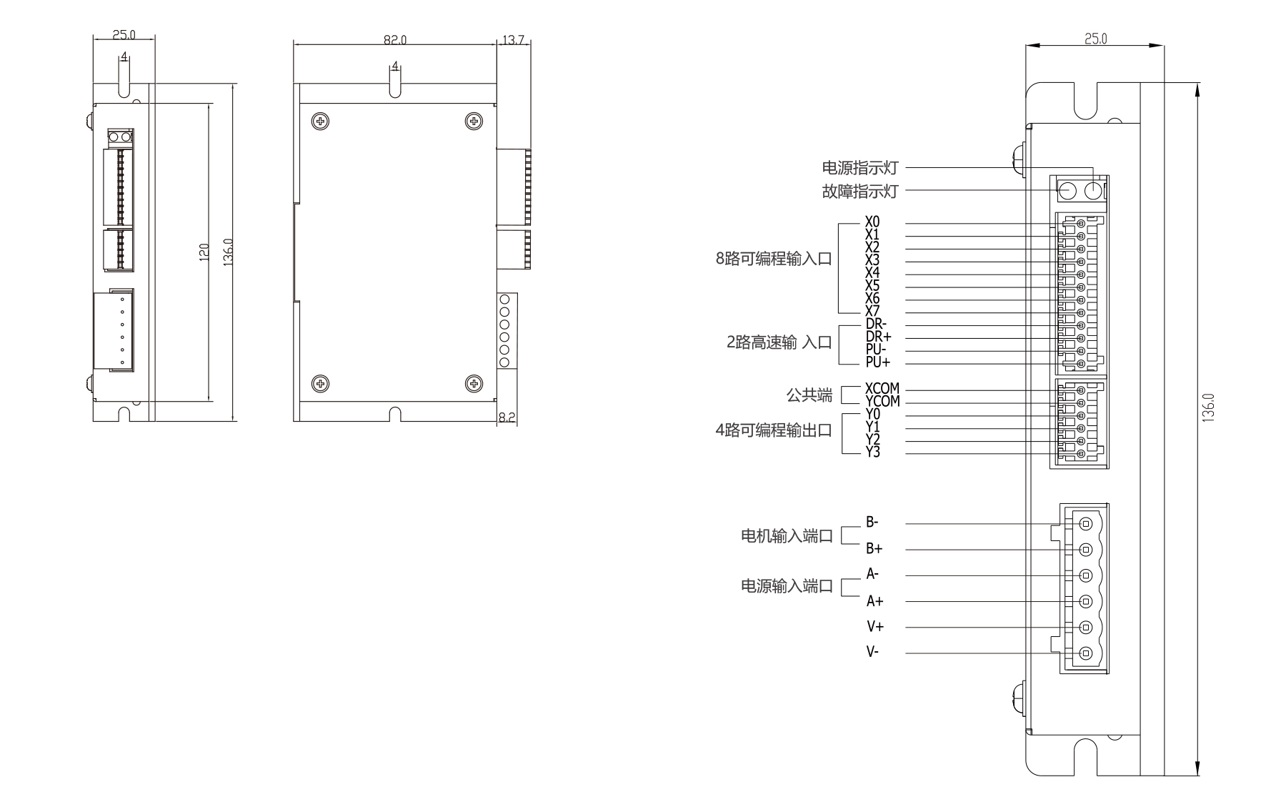
PSH2405R is a 2-phase RS485 open-loop driver featuring a 32-bit motor control DSP chip. It supports position, speed, and multi-segment position control, with RS-485 bus communication via standard MODBUS-RTU, controlling up to 30 drives. The driver offers 16 constant-torque microsteps (up to 40,000), adjustable drive current up to 4.2 A, 2 high-speed differential inputs, 8 programmable inputs, 4 programmable outputs, DC24–50 V input, and overvoltage, undervoltage, and overcurrent protection.
Your message has been sent
Similar Products

PSH2608R, RS485
4.8A Max., 24-36VDC

PSH2405C, CANOpen
4.2A Max., 20-50VDC

PSH2405E, EtherCAT
2.0-5.0A, 20-50VDC
Companion Products

NEMA 17 · 3.6° · PHB42E

NEMA 17 · 0.9° · PHB42M

NEMA 17 · 1.8° · PHB42S

NEMA 23 · 1.8° · PHB57K

NEMA 23 · 0.9° · PHB57M

NEMA 23 · 1.8° · PHB57S







