PSD2608RH
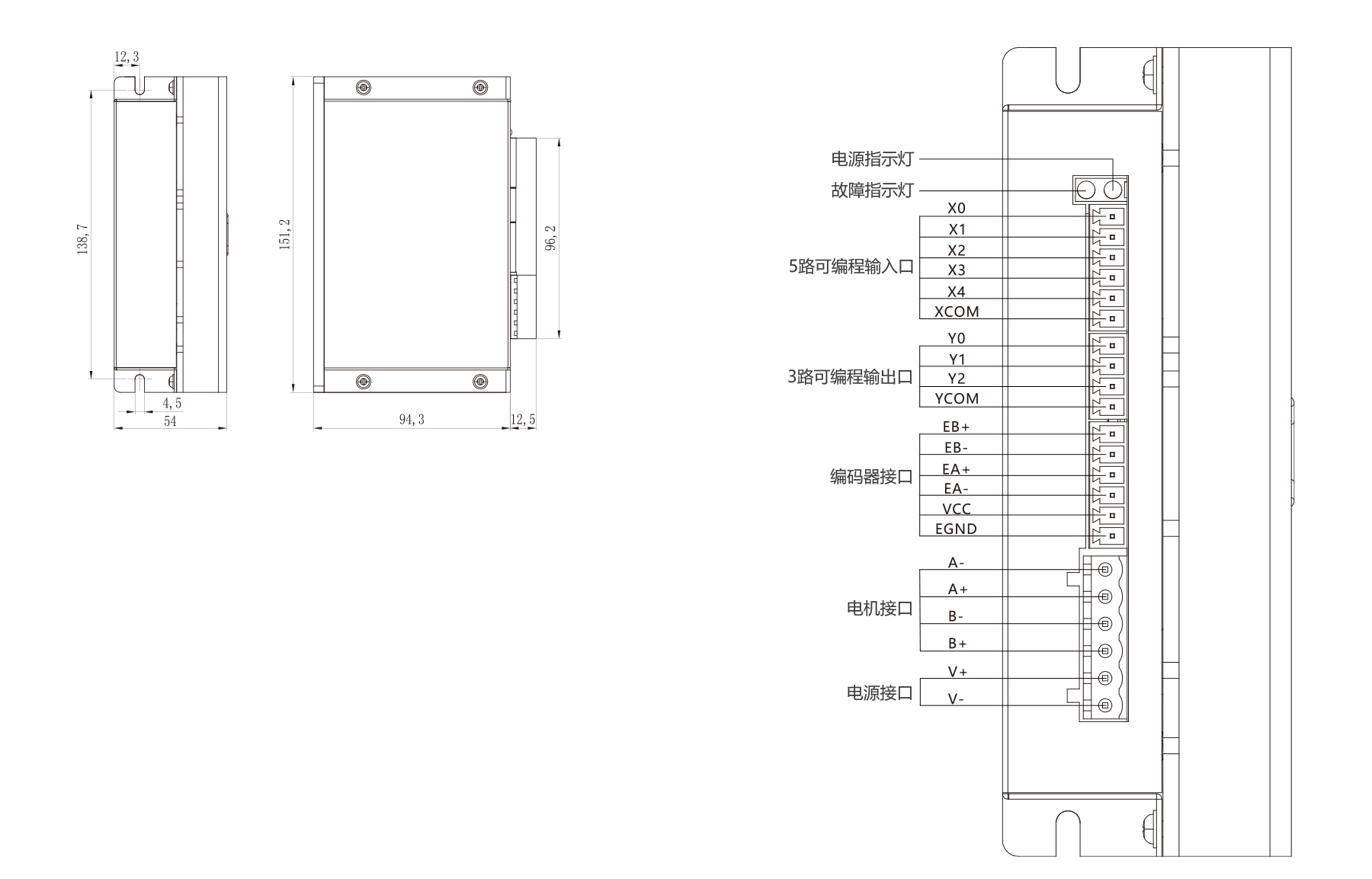
PSD2608RH is a 2-phase RS485 closed-loop stepper driver with AC input and 32-bit DSP technology, offering smooth, low-noise, and low-vibration performance. It supports standard MODBUS-RTU protocol over an isolated RS-485 bus, enabling position, speed, and multi-segment position control. The driver features 5 optically isolated programmable inputs and 3 optically isolated programmable outputs. Current control is precise and smooth, with adjustable drive current up to 5 A. Voltage input ranges from 24–80 VAC and includes protection against overvoltage, undervoltage, and overcurrent.
Your message has been sent
Similar Products

PSH2608EH, EtherCAT
4.0-6.0A, 24-80VAC

PSD2608RH, RS485
3.0-6.0A, 24-80VAC

PSD2608CH, CANOpen
3.0-6.0A , 24-80VAC
Companion Products









