Home / Products / Hybrid Steppers / Drive Series / PSD2608CH
PSD2608CH
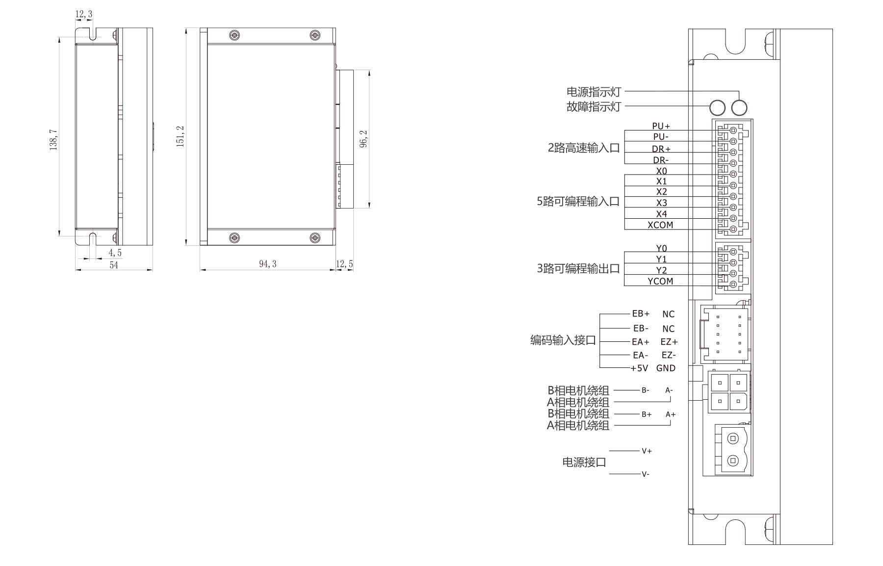
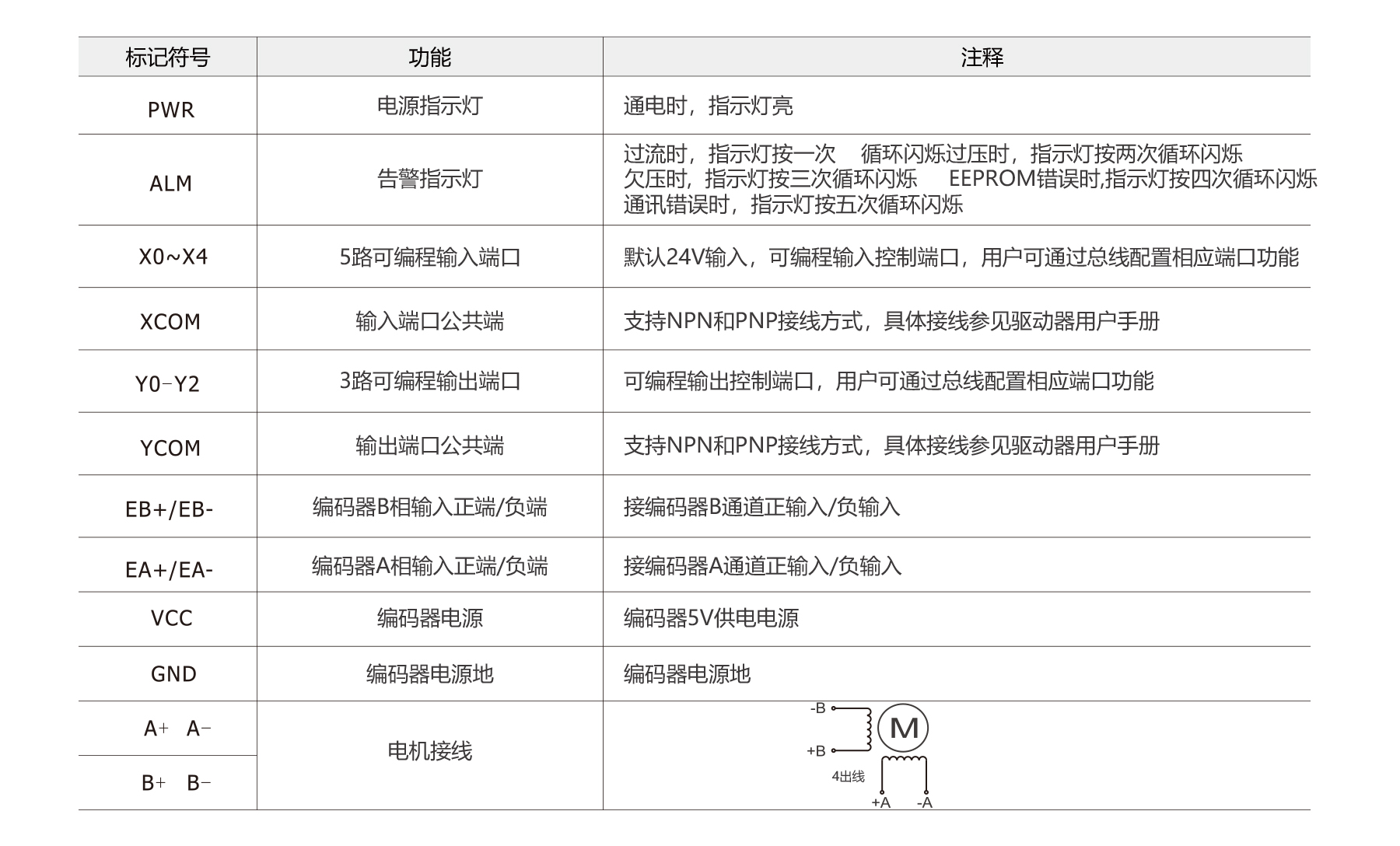
PSD2608CH is a 2-phase CANOpen closed-loop stepper driver with AC input, powered by a dedicated 32-bit DSP motor control chip. It supports 16 microstep settings and intelligent current adjustment to reduce vibration, noise, and heat, ensuring low torque attenuation with speeds up to 3000 rpm. The driver combines high-speed performance and rigidity, leveraging both servo and stepper advantages. It supports up to 32 devices via an isolated CAN bus and features a built-in single-axis controller for speed, position, homing, and multi-segment position control. Connectivity includes 5 optically isolated input channels and 3 optically isolated output channels. Voltage range: AC 24–80 V / DC 30–110 V.
Your message has been sent
Similar Products

PSH2608EH, EtherCAT
4.0-6.0A, 24-80VAC

PSD2608RH, RS485
3.0-6.0A, 24-80VAC
Companion Products









