Home / Products / Hybrid Steppers / Drive Series / PSD2505R
PSD2505R
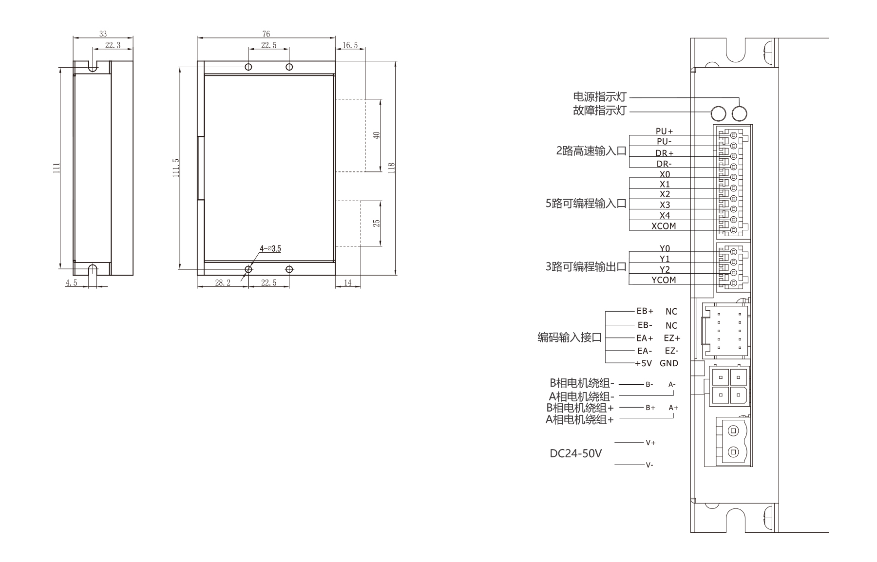
PSD2505R is a 2-phase RS485 closed-loop stepper driver with DC input and 32-bit DSP control. It supports 24–50 V operation with 16 microstep settings and intelligent current adjustment to reduce vibration, noise, and heat. It provides low torque attenuation, speeds up to 3000 rpm, and combines high-speed performance with rigidity. The driver supports RS-485 bus communication with standard MODBUS-RTU protocol for up to 30 devices, and includes built-in single-axis control for speed, position, homing, and multi-segment positioning. Features include 2 high-speed differential inputs, 5 programmable inputs, and 3 programmable outputs.
Your message has been sent
Similar Products

PSH2405E, EtherCAT
2.0-5.0A, 20-50VDC
Companion Products

NEMA 23 · 1.8° · PHM57S









