Home / Products / Hybrid Steppers / Drive Series / PSD2205E
PSD2205E
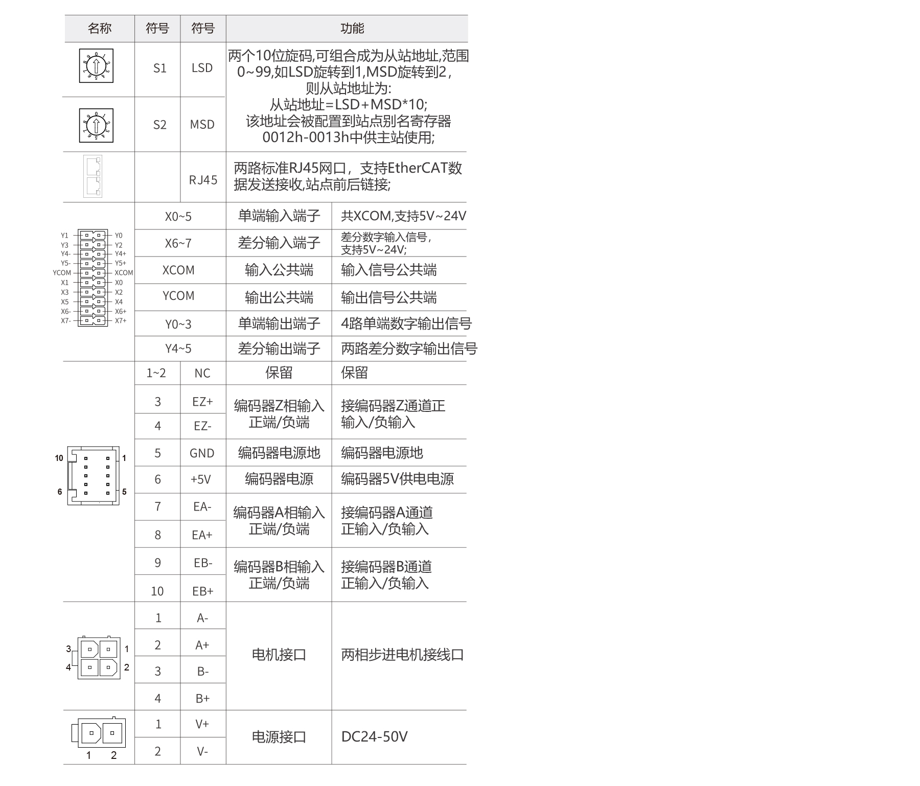
PSD2205E, 2-Phase EtherCAT Closed-Loop Driver. DC24–50V, adjustable current ≤2A. 32-bit DSP, low noise, smooth motion. Supports CSP, PP, PV, HOMING modes. EtherCAT CoE, external control signals, 6 digital outputs. Microstepping 400–51,200, current halved if stopped >200ms.
Your message has been sent
Similar Products

PSH2204R, RS485
1.5A Max., 24-36VDC

PSS2205E, EtherCAT
0.2-2.0A, 24-50VDC
Companion Products









