NEMA 23・1.8°・PHG57S
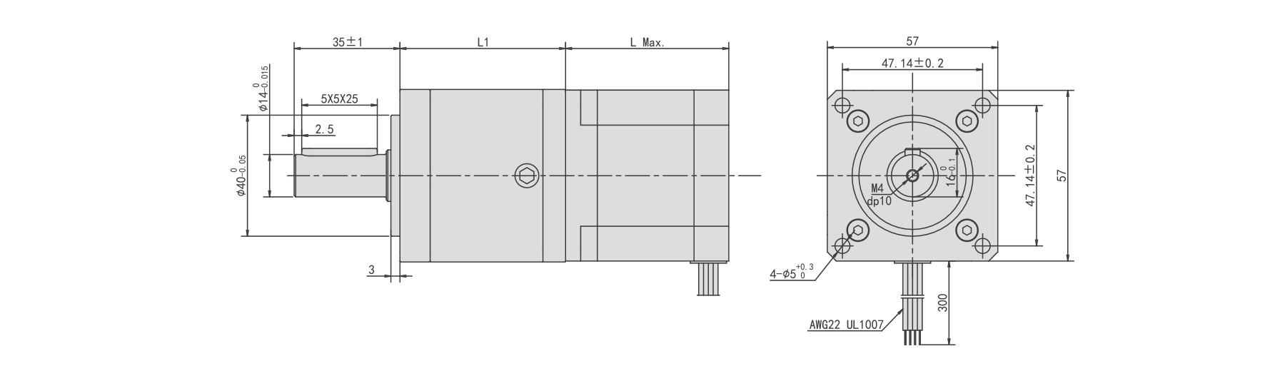
The PHG57S Series NEMA 23 stepper gear motors offer high torque, long life, and precision performance with integrated planetary gearboxes. Featuring a 1.8° step angle, low backlash (≤25 arcmin), and quiet operation (≤60 dB), these motors provide smooth, reliable motion. With staged gear ratios, rated admissible torque ranges from 25 N·m to 40 N·m and efficiency up to 95%, making them ideal for automation, CNC, and precise motion control applications requiring compact, high-performance stepper gear motors.
Your message has been sent
Similar Products

NEMA 23 · 1.8° · PHB57S

NEMA 23 · 1.8° · PHB57K

NEMA 23 · 0.9° · PHB57M

NEMA 23 · 1.2° · PHB57T

NEMA 23 · 1.8° · PHM57S

NEMA 23 · PHP57S

NEMA 23 · 1.8° · PHH57S

NEMA 23 · 1.8° · PHBR57S

NEMA 23 · PHBL57

NEMA 23 · PHBS57
Companion Products

PST2405P, 2 Phase
1.2-4.0A, 20-50VDC

PST2405PD, 2 Phase
1.2-4.0A, 20-50VDC

PST2405PU, 2 Phase
0.8-4.5A, 20-50VDC

PSR2405M, 2 Phase
1.2-4.0A, 20-50VDC

PSR2405A, 2 Phase
0.8-4.5A, 20-50VDC

PSH2405R, RS485
4.2A Max., 20-50VDC

PSH2405C, CANOpen
4.2A Max., 20-50VDC








