NEMA 34・1.8°・PHM86S
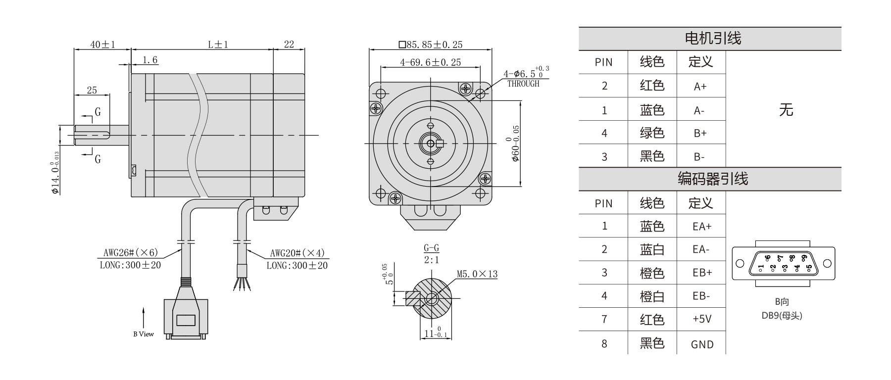
The PHM86S Series closed-loop stepper motors feature built-in 1,000 CPR optical encoders for precise control. With high torque, high speed, and smooth, stable movement, models like PHM86S78-460-210ECD, PHM86S114-460-210ECD, and PHM86S150-460-210ECD deliver strong holding torque and low inductance, ideal for CNC, and industrial automation.
Your message has been sent
Similar Products

NEMA 34 · 1.8° · PHB86S

NEMA 34 · 1.8° · PHB86K

NEMA 34 · 0.72° · PHB86F

NEMA 34 · 1.8° · PHG86S

NEMA 34 · 1.8° · PHBR86S

NEMA 34 · 1.8° · PHH86S

NEMA 34 · PHP86S

NEMA 34 · PHBL86

NEMA 34 · 1.2° · PHM86T
Companion Products

PHD2608PH, 2 Phase
6.0A Max., 20-80VAC

PHS2608PH, 2 Phase
6.0A Max., 30-80VAC

PHS2611PH, 2 Phase
6.0A Max., 30-110VAC




