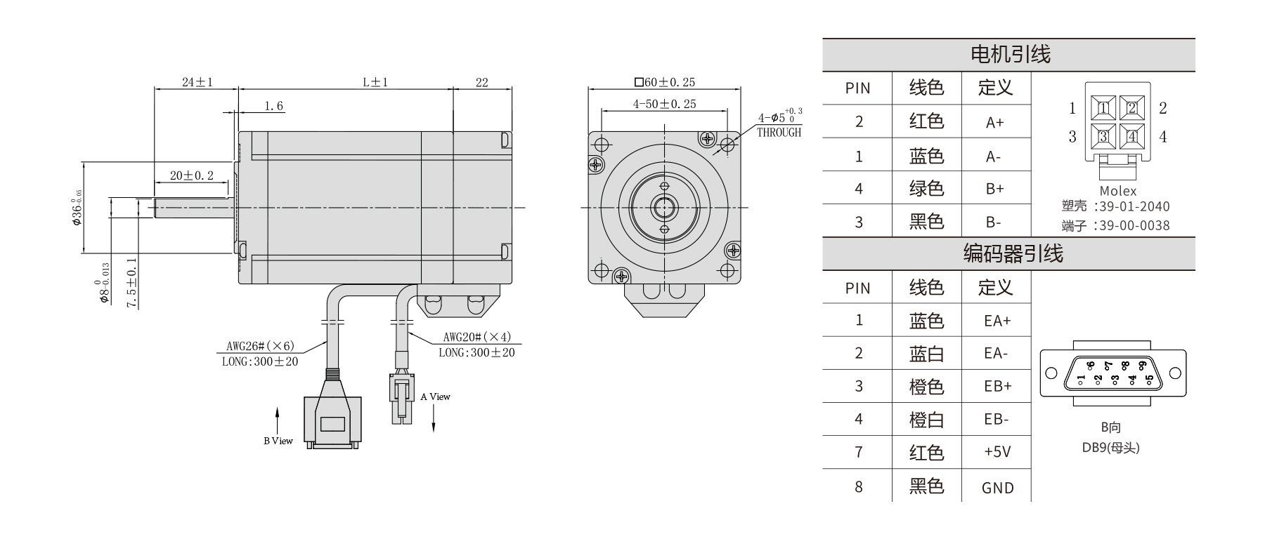
NEMA 24・1.8°・PHM60S
The PHM60S Series closed-loop stepper motors feature built-in 1,000 CPR optical encoders for precise positioning and smooth motion. With high torque and speed, models like PHM60S68-440-210ECD and PHM60S85-450-210ECD provide strong holding torque, low inductance, and high stability, ideal for CNC, and automation applications.
Your message has been sent
Similar Products

NEMA 24 · 1.8° · PHB60S

NEMA 24 · 1.2° · PHB60T

NEMA 24 · 0.72° · PHB60F

NEMA 24 · 1.8° · PHG60S

NEMA 24 · PHP60S

NEMA 24 · 1.8° · PHBR60S

NEMA 24 · 1.8° · PHH60S

NEMA 24 · PHBL60
Companion Products

PHD2505P, 2 Phase
2.3-5.8A, 24-50VDC

PHS2505P, 2 Phase
5.0A Max., 24-50VDC

PSD2505R, RS485
2.0-5.0A, 24-50VDC

PSD2505C, CANOpen
2.0-5.0A, 24-50VDC

PSD2505E, EtherCAT
5.0A Max., 24-50VDC




