Home / Products / DC Servos / Linear Series / PLSC60
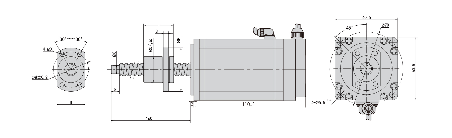
PLSC60
The PLSC60 Ball Screw Linear DC Servo Motor delivers powerful, precise motion at 3000 rpm with 200W or 400W output. Available in 48VDC, it offers torque up to 1.27 N·m and features high-resolution 17-bit encoders for exceptional positioning accuracy.
Your message has been sent
Similar Products

□60mm
PLSA60

□60mm
PLSP60

□60mm
PLSP60(Short Version)
Companion Products

PLSD Series

PLSS Series






